FXD sorozatú hajlító rudas mérőcellák

FXD



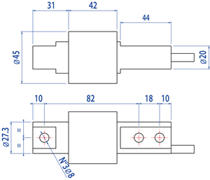
 FXD_dis
Hajlító rudas mérőcellák jóváhagyott mérésekhez, automatikus rendszerekhez, adagoláshoz.
Terhelhetőség
 (kg): 100, 200, 300, 500
OIML R60, C3 pontossági osztály
Rozsdamentes acél, IP68.

Tulajdonságok

  • C3 pontossági osztály
  • Rozsdamentes acél
  • IP68
  • Max. terhelhetőség 100-500 kg
  • Árnyékolt csatlakozó vezeték

Technikai jellemzők

  • Minimum mérőcella ellenőrzési intervallum: Vmin = EMax/10.000
  • Az ellenőrzési intervallumok maximális száma: nLC = 3000
  • Teli mérleg kimenete: 2mV/V +/- 10%
  • Kombinált hiba: 0,017% F.S.
  • Nem ismételhetőség: 0,015% F.S.
  • Hőfüggés üres mérlegnél: 0,02 % FS/10K
  • Hőfüggés teli mérlegnél: 0,02%FS/10K
  • Kompenzált hőmérsékleti tartomány: -10ºC/+40ºC
  • Működési hőmérséklet tartomány: -30ºC/+70ºC
  • Mászás 30 perc után: +/-0,016% FS
  • Maximum tolerált gerjesztési feszültség: 15 Vdc
  • Bemeneti ellenállás: 400 ± 20Ω
  • Kimeneti ellenállás: 352 ± 3Ω
  • Szigetelési ellenállás: >5000MΩ
  • Biztonságos túlterhelés: 120% FS
  • Végső tülterhelés: 150% FS
  • 4 eres árnyékolt vezeték, 3m hosszú, 5 mm átmérőjű

Robbanásbiztos változat

  • A CCATEX bizonyítvány a cellát alkalmassá teszi veszélyes területeken való használatra a következő védelmi methódusokkal:
    • ATEX II 1G Ex ia IIC T6 (Ta -20÷+40°C) TX (Ta -20÷+65°C) Ga
    • ATEX II 1D Ex ta IIIC TX°C (Ta -20÷+40°C) TX°C (Ta -20÷+65°C) Da IP65.

Szállítható típusok

 Cikkszám Max terhelhetőség (kg)
FXD100
100
FXD200
200
FXD300
300
FXD500
500

Elérhető opciók